Segurança em Tubulações de PEAD | Como Evitar o Colapso por Subpressão
Este artigo tem como objetivo alertar sobre os riscos associados a esse fenômeno e apresentar recomendações e boas práticas para mitigá-los.
ENGENHARIA
Clayton Reis
11/21/20247 min read
As tubulações de polietileno de alta densidade (PEAD) são amplamente utilizadas em sistemas de abastecimento de água, esgoto, drenagem e na indústria da mineração devido à sua resistência, leveza e durabilidade. No entanto, um dos problemas críticos que podem comprometer a integridade dessas tubulações é o colapso causado por subpressão.
Entendendo a Subpressão
A subpressão ocorre quando a pressão interna de uma tubulação cai abaixo da pressão atmosférica. Isso pode acontecer devido a diversos fatores, como:
- Obstruções: A presença de detritos ou sedimentos pode restringir o fluxo, criando áreas de baixa pressão.
- Variações Rápidas de Fluxo: Mudanças súbitas na demanda de água podem causar flutuações na pressão.
- Falhas em Equipamentos: Problemas em bombas ou válvulas podem levar a condições de subpressão.
Quando a pressão interna diminui significativamente, a pressão externa pode causar o colapso a tubulação, especialmente em trechos mais longos ou em locais onde o solo exerce uma pressão considerável sobre os tubos.
Foto 1 - Subpressão em tubulação aço inox (cedida por Renato Fonseca)
Consequências do Colapso
O colapso das tubulações de PEAD pode resultar em sérias consequências, incluindo:
- Interrupção do Serviço: O colapso pode levar à interrupção no fornecimento de água, escoamento inadequado de esgoto ou interromper sistemas de controle de nível de sumps de armazenamento.
- Danos Estruturais: Além do custo da substituição da tubulação danificada, o colapso pode causar danos ao solo, à infraestrutura circundante ou até em equipamentos críticos do sistema.
- Riscos Ambientais: O vazamento de água, esgoto ou outros líquidos em condições desfavoráveis para descarte pode contaminar o solo e os lençóis freáticos, causando problemas ambientais significativos.
Foto 2 - Google Earth
Recomendações para Prevenção
Para evitar o colapso das tubulações de PEAD devido à subpressão, é fundamental adotar uma série de boas práticas:
1. Instalação de Válvulas Ventosas
As válvulas ventosas são dispositivos essenciais para prevenir a formação de vácuo nas tubulações. Elas permitem a entrada de ar quando há uma queda repentina na pressão interna, equilibrando as pressões e evitando que a tubulação sofra colapso. É recomendável instalar válvulas ventosas em pontos estratégicos do sistema, como:
- Pontos altos da tubulação: Onde o ar tende a se acumular.
- Mudanças bruscas de direção: Curvas acentuadas podem criar zonas de baixa
pressão.
2. Manutenção Regular
A manutenção preventiva é crucial para garantir que as tubulações funcionem adequadamente. Algumas práticas incluem:
- Inspeções Visuais: Verifique regularmente se há sinais visíveis de desgaste ou danos nas tubulações.
- Limpeza Periódica: Remova obstruções que possam causar restrições no fluxo.
- Monitoramento da Pressão: Utilize manômetros para monitorar a pressão interna e identificar variações que possam indicar problemas.
3. Projeto Adequado do Sistema
Um projeto bem elaborado é fundamental para evitar problemas futuros. Algumas considerações incluem:
- Evitar Trechos Horizontais Longos: Sempre que possível, projete as tubulações com inclinações adequadas para facilitar o escoamento do ar.
- Dimensionamento Correto das Tubulações: Tubos subdimensionados podem não suportar as variações de pressão adequadamente.
- Análise do Solo: Realizar estudos geotécnicos para entender melhor as condições do solo onde as tubulações serão instaladas.
4. Capacitação da Equipe
A formação contínua da equipe responsável pela instalação e manutenção das tubulações é essencial.
Os profissionais devem estar cientes dos riscos associados à subpressão e das melhores práticas para mitigá-los. Workshops e treinamentos podem ser organizados para garantir que todos estejam atualizados sobre as técnicas mais eficazes.
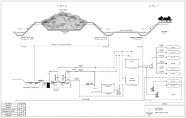
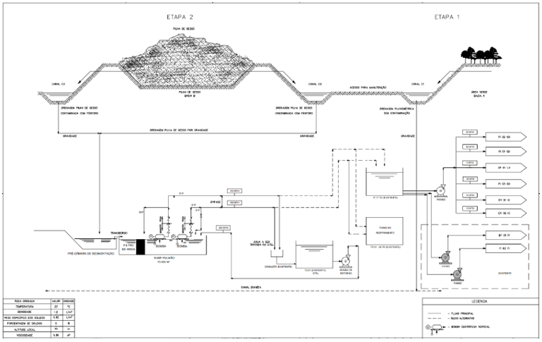
Foto 5 - Diagrama Montagem - Sistema Bombeamento Efluentes
Foto 4 - Substituição de trecho danificado e preparação para inserção de válvula
Foto 3 - Ventosa de dupla ação/atuação
O que aprendemos com a falha de engenharia e que impactou nosso cliente interno? Como faremos diferente a partir de agora?
📗 Gustavo Gomes | Engenheiro Civil | Project Manager
"Como todo erro traz consigo uma oportunidade de melhorias, inicia-se um processo de aprendizado e crescimento. Sabemos que, diante de um problema, devemos manter a calma, focar na solução e minimizar o impacto para o cliente.
Dois sistemas de bombeamento através de tubulação em PEAD (Polietileno de Alta Densidade) foram instalados para transportar água de processo e abastecer a planta. Após alguns dias de operação, o sistema foi paralisado devido a uma interrupção na produção. Na retomada, foi observado que a tubulação em PEAD havia colapsado (fechado) nas duas linhas. O gerente de operações, então, acionou a equipe técnica para avaliar o ocorrido e verificar a possibilidade de retomar as operações.
Com a situação apresentada, a equipe técnica iniciou um estudo de caso para identificar rapidamente as falhas e encontrar uma solução para a retomada. Após análise detalhada em trechos da tubulação do início ao fim, foi descartada a hipótese de entrada de vácuo relacionada a equipamentos de interligação. Surgiu, então, a hipótese de pressão negativa na tubulação no momento da parada do equipamento, que poderia ter criado um efeito sifão devido às diferentes elevações da tubulação.
Para resolver a situação, foram consultados vários especialistas, que recomendaram a instalação de válvulas ventosas e de retenção no recalque da bomba.
Contamos com o apoio de uma liderança que, atuando dentro dos limites da empresa, providenciou todos os recursos necessários e mobilizou uma empresa parceira para solucionar o problema e retomar as operações.
Diante deste cenário desafiador, reunimos diversos aprendizados e aproveitamos a oportunidade de demonstrar nosso engajamento e a humildade de reconhecer o erro como uma chance de nos aprimorar.
Causas do impacto
- Falta de estudo sobre transientes hidráulicos
- Ausência de válvula ventosa
- Ausência de válvula de retenção
- Falta de envolvimento dos fabricantes
- Estudos insuficientes sobre cenários do processo
- Ausência de cross-check de engenharia com outra empresa
Pontos positivos
- Engajamento da liderança e equipe
- Equipe proativa
- Parcerias com empresas
- Lições aprendidas
- Confiabilidade da linha após a correção"
📗 Gustavo Rezende | Líder de Pessoas | Gestão de Portifólio
“- A importância de fazer um cross check de uma engenharia; que até então parecia ser simples;
- A importância do relacionamento e comunicação com os stakeholders operacionais. Mesmo em uma situação de crise, nos apoiou como parceiros;
- A importância da confiança e respaldo, em uma situação de emergência propôs soluções rápidas para a burocracia da companhia, e suportou a mobilização da empresa especializada para o reparo.
Os 2 acima se resumem em conexões”
📗 Diogo Borges | Engenheiro Civil & Segurança do Trabalho
“Pontos de melhorias:
- Importante realizar um cross check na etapa de desenvolvimento das engenharias com especialistas;
- Compartilhar com toda a equipe o desenvolvimento das engenharias, com o intuito de agregar valores e/ou identificar falhas;
- Buscar lições aprendidas de projetos semelhantes desenvolvidos em outras unidades e outras equipes.
Pontos positivos:
- Comprometimento e senso de pertencimento de toda a equipe em busca da solução mais ágil, independente da liderança do projeto;
- Parceria com as áreas envolvidas com objetivo alinhado a solução do problema;
- Engajamento e confiança de todos os níveis hierárquicos, contribuíram para a agilidade do processo.”
📗 Marcos Nunes | Engenheiro Eletricista | Gestão de Investimentos
“Aprendemos com nosso erro a importância de estruturar, divulgar e consultar lições aprendidas;
É necessário envolver mais membros da equipe. Sempre é possível aprender também com a experiência de outros;
Na fase de desenvolvimento de engenharia, precisamos, além de analisar os estados operacionais, simular outros cenários possíveis, incluindo situações como a drenagem da linha, falhas em componentes, variações na demanda, e condições climáticas extremas.”
Conclusão
O colapso em tubulações de PEAD causado por subpressão é um risco significativo que pode ser mitigado através da adoção de boas práticas na instalação e manutenção dos sistemas. A instalação de válvulas ventosas, a realização de manutenções regulares, um projeto adequado e a capacitação da equipe são medidas fundamentais para garantir a integridade das tubulações e evitar interrupções nos serviços essenciais.
Investir na prevenção não apenas protege os ativos físicos, mas também assegura a continuidade dos serviços prestados à comunidade e minimiza os impactos ambientais decorrentes de falhas no sistema.
Portanto, é crucial que engenheiros e gestores estejam sempre atentos aos riscos associados à subpressão nas tubulações e implementem as melhores práticas recomendadas.
Referências
● Manual de Boas Práticas da ABPE: Este manual aborda as melhores práticas para instalação e manutenção de tubulações de PEAD, incluindo aspectos relacionados à subpressão. Acesse em: [ABPEBrasil]
http://www.abpebrasil.com.br/default.asp?cod=20&pg=1
● Análise de Performance de Tubulações: Artigo que compara a viabilidade financeira e a performance de tubulações de PEAD e concreto, abordando questões de subpressão. Disponível em: [Revista FT]
● Válvulas Ventosas e Subpressão: Artigo que discute a importância das válvulas ventosas na prevenção da subpressão em sistemas de tubulação. Acesse em: [FGS Brasil]
https://fgsbrasil.com.br/produto/tubo-pead-para-redes-de-distribuicao/
● Dispositivos para Controle de Pressão: Informações sobre dispositivos que ajudam a controlar o fluxo e a pressão em sistemas de tubulação, relevantes para evitar subpressões. Consulte em: [FGS Brasil]
https://fgsbrasil.com.br/produto/tubo-pead-para-esgoto-redes-por-gravidade/t
